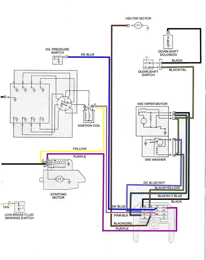
till torkarmotorn och dess reglage till en LeMans 68:a, är det någon vänlig själ som har och har lust att lägga upp.
Tack på förhand
- Bilar / Teknik
- - Motor / Drivlina
- - Kaross / Chassi / Inredning
- - El / Teknik
- - Däck / Fälg
- - Öppna frågor / Inlägg
- - Teknikarkivet
- Annonser / Köp & Sälj
- - Säljes
- - Köpes
- Allmänt om forumet
- - Allmänt samt Regler / Villkor / Integritetspolicy / Cookies
- - Garaget - Samlat!
- - Företagsregister / Butiker / Hemsidor
- - Klotterplank
- - Övrigt

